
打造國內智能電表遠程抄表系統優質品牌

DTSY1791型電子式三相預付費電能表,采用專用集成電路設計,全自動表面貼裝(SMT)生產工藝制造。電能表的線路設計和元器件選擇以較大的環境允差為依據,可保證整機長期穩定工作,高精度、高過載、低功耗,可靠性能高。采用符合國際標準的先進的智能IC卡技術實現預付費方式,內置磁保持繼電器。通過控制繼電器實現控制負載的通與斷,實現督促用戶先買電后用電的功能。
產品符合GB/T17215.321-2008《1級和2級靜止式交流有功電能表》和GB/T 18460.3-2001 《IC卡預付費售電系統第3部分:預付費電能表》的全部技術要求。
二、工作原理
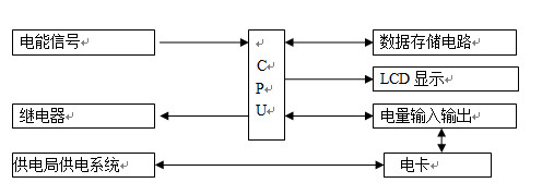
1、工作原理圖
電能表由分壓器取得電壓采樣信號,分流器取得電流采樣信號,經乘法器得到電壓電流乘積信號,再經頻率變換產生一個頻率與電壓電流乘積成正比的計數脈沖,通過分頻,驅動步進電機計量電度。

電能計量脈經光電耦合器送CPU處理,運算后存儲于存儲器中。由計算機管理信息系統,通過IC卡讀寫器,寫入一定電量和監控要求的IC卡輸入表內微處理器系統,經CPU運算后,提供顯示、報警狀態信號。
三、規格型號及技術參數:
1、規格型號
|
規格 型號 |
精度等級 |
電壓規格 (V) |
電流規格(A) |
|
DTSY1791 |
1.0 |
220 |
5(20)、10(40) 、20(80) |
2、主要技術參數:
a、基本誤差:
|
負載電流 |
功率因數 |
百分數誤差限(%) |
|
0.05Ib≤I<0.1Ib |
1.0 |
±1.0 |
|
0.1Ib≤I≤Imax |
±0.6 |
|
|
0.1Ib≤I<0.2Ib |
0.5(滯后) 0.8(超前) |
±1.0 |
|
0.2Ib≤I≤Imax |
±0.6 |
b、氣參數(參比條件):
起動電流: 0.4 % Ib
功耗:電壓線路<1.0W,3.0VA;
電流線路 < 1.0VA
潛動:具有邏輯防潛動電路
電壓范圍: 220V±10%
工作溫度范圍:-25℃~ +65℃
掉電數據存貯時間>20年
四、安裝與使用
1、電表在出廠時經檢驗合格,并加封鉛印,可安裝使用,如無鉛封或貯存過久,應請有關部門重新校驗加封,方可安裝使用。
2、電表應安裝在干燥通風的地方,安裝電表的底板應固定在堅固耐火,不易振動的墻上,電表高度約1.8m左右。
3、按圖一、圖二安裝和接線,擰緊接線螺釘,并緊固端鈕盒內連接板。
4、經互感器接入式電表其示數須乘以變比后,才是實際電能數。
5、一表一卡:用戶持有的IC卡不能互換,遺失時應到供電部門(售電處)補購一張。
6、購電準備:購電前,用戶須將IC卡插入卡座一次,便于將表內數據送回計算機數據庫。
7、購電方式:售電時,將IC卡插入IC卡讀寫器,同時操作計算機,將用戶編號、預購電量、報警電量、限容方式及限容功率等加密寫入IC卡。
9、運行顯示:電表運行過程中,輪流顯示表內剩余金額、購電金額、總購金額、總用電量、用戶編號、常數。 8、電卡使用:將購電卡插入卡座內,如是有效購電卡,則電表自動將數據讀入表內,LCD表顯示屏依次顯示:剩余金額、購電金額、總購金額、總用電量、用戶編號、常數,拔卡請妥善保存。
10、超容報警:電表運行過程中,如果“報警指示燈”快速閃爍顯示,則警告用戶已超容用電。如該電表被設置為超容斷電限容方式,則超容用電60秒后,將拉閘3分鐘;如用戶插卡響應可立即恢復供電。
11、 囤積限量:如果購電量+剩余電量>囤積限量(10000kWh),則購電量不讀入,顯示器顯示“Error=10”提示,卡內電量仍有效。
12、 預警提醒:當表內剩余電量小于“聲光報警電量”時,“報警指示燈”將閃爍(間隔為1秒)顯示提醒用戶購電。
13、 斷電警告:當表內剩余電量小于“拉閘報警電量”時,“報警指示燈”常亮,液晶上顯示“拉閘”提示符,繼電器拉閘,此時用戶可以將購電卡插入電表一次,電表會合閘,“報警指示燈”繼續常亮,此時用戶應將快去供電部門購電,以免不能及時購電而無法用電。如果拉閘后找不到本表IC卡,可借用鄰居IC卡插入,以恢復供電。
14、 購電提醒:當表內剩余電量小于“報警電量”時,“報警指示燈”將常亮提醒。
15、 故障申報:剩余電量顯示為零或負值時,顯示“拉閘”提示符,如電表仍繼續運行,用戶應立即購電,并主動向供電部門反映情況。